Qingdao Ruichen Sealing Technology Co., Ltd.
Qingdao Ruichen Sealing Technology Co., Ltd.
Tooted
X

PTFE vedrujõulised näotihendid

Tere tulemast ostma Ruicheni RC2876, PTFE vedru jõul töötavat näotihendit, mis sobib ühesuunalise rõhuga staatilise tihendi jaoks, nagu aksiaalsed (otspind) ja äärikutihendid. Seda saab kasutada rakendustes, kus pinna karedus on ideaalsest väiksem. Meil on tihendite uurimis- ja arendustegevus, innovatsioon ja tootmisvõimalused, mis teeb meist usaldusväärse tarnija.

RC2876 tihend koosneb roostevabast terasest vedrust ja suure jõudlusega plastikust.  Roostevabast terasest vedru võib olla kas V-kujuline või O-kujuline vedru. RC2876-B kasutamisel tuleb valida sobiv elastomeermaterjal.

 

Kohaldatavad töötingimused (äärmuslikud väärtused ei tohiks ilmneda samaaegselt)

Rõhk (MPa)

Kiirus (m/s)

Temperatuur (°C)

Keskmine

RC2876

RC2876-B

-

RC2876

RC2876-B

Kõik vedelikud, kemikaalid ja gaasid

<40

<80

-200~+250

-35~+250

Materjali valik

1. Kaasasolevate O-rõngaste materjalide hulgast saab valida: R01 nitriilkummi (NBR), R02 fluorikummi (FKM) jne.

2. Tihendusrõnga materjalid: PTFE1, PTFE2, PTFE3, PTFE4, UPE, PK1, PK2 jne.

3. Roostevabast terasest vedrud saab valida O-kujuliste vedrude ja V-kujuliste vedrude hulgast.


Tellimuse näide

RC2876-40-PTFE4+V: sisemine survesoone välisläbimõõt on 40, tihendusrõnga materjal on PTFE4, vedru on V-kujuline vedru.

RC2876-B-40-PTFE4+R02: sisemise survesoonte välisläbimõõt on 40, tihendusrõnga materjal on PTFE4, sobiv O-rõngas on valmistatud fluorokummist.

Märkus. Kui vajate laiendatud vahemikku, kasutage seerianumbrit.

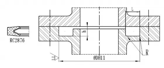
Tehniliste andmete tabel (saadaval on kõik parameetrite vahemikus olevad spetsifikatsioonid)

Seerianumber

Seerianumber

Standardne vahemik

DH11

Laiendatud ulatus

DH11

Soone sügavus

h-0,05

Soone laius

L+0,2

Ümardatud nurgad

Rmax

RC2876-0

RC2876-B-0

10~13,9

10-40

1.45

2.4

0.4

RC2876-1

RC2876-B-1

14~24,9

13-200

2.25

3.6

0.4

RC2876-2

RC2876-B-2

25~45,9

18-400

3.1

4.8

0.6

RC2876-3

RC2876-B-3

46~124,9

28-700

4.7

7.1

0.8

RC2876-4

RC2876-B-4

125~999,9

45-1000

6.1

9.5

0.8

RC2876-5

RC2876-B-5

≥1000

≥100

9.5

15.0

0.8

 

Kuumad sildid: PTFE vedrujõulised näotihendid
Saada päring
Kontaktinfo
Hankige konkurentsivõimelisi hindu, tehnilist tuge ja kiireid vastuseid. Saatke oma spetsifikatsioonid Ruichenile kohandatud tihenduslahenduste jaoks. Saadaval tasuta proovid.
X
Kasutame küpsiseid, et pakkuda teile paremat sirvimiskogemust, analüüsida saidi liiklust ja isikupärastada sisu. Seda saiti kasutades nõustute meie küpsiste kasutamisega. Privaatsuspoliitika
Keeldu Nõustu