Meie RCS -seeria vastab professionaalse disaini ja tehnilise tootmise kaudu kolvi varraste pitseri pööramise mitmekesistele vajadustele, pakkudes täpseid lahendusi üldistest stsenaariumidest kuni äärmuslike töötingimusteni.
Konstruktsioonilise kujunduse osas on põhimudelid keskendunud stabiilsusele ja kasutusmugavusele: RCS101/103 suurendab stabiilsust kinnistamiseelse O-rõngaste või lisa huulte abil, eriti lühikeste löökide korral; RCS102/104R/117R toetab suuremat rõhku, optimeerides materjali ja soone ühilduvust (näiteks RCS102R standardsete soone kõrgsurve stsenaariumide jaoks). Pneumaatiliste süsteemide jaoks võtab RCS105/205 kasutusele spetsiaalse huuledisaini, et säilitada määrdeõli kile ja kohaneda määrde-/mitte-määrdekeskkondadega.
Ruicheni pitserid keskenduvad ka materiaalsele ja funktsionaalsele uuendusele. Sellised mudelid nagu RCS118/119/124-129 kasutavad põhikorpusena polütetrafluoroetüleeni (PTFE) või polüuretaan, koos Mander Springsi või O-rõngastega, et tasakaalustada rõhku, saavutada madal hõõrded, kuivatusvastane kulumine ja korrosioonikindlus, mis vastab keemiaseadme ja toidu täitmise kõrgele temperatuuritalusele. RCS129 võib moodustada RCS101 -ga tihendussüsteemi, mis sobib jalutusmasinate ja raskete hüdrauliliste seadmete jaoks; RCS126-128 optimeerib asümmeetrilise V-tüki kujunduse kaudu madala rõhu pitseerimist ja on kohandatud farmaatsia- ja keemiatööstusele.
Keeruliste töötingimuste korral on RCS120/138 ja muudel topelttoimelistel tihendil integreeritud tugitsõnga kujundus, mis on vastupidav kõrgrõhu ja moonutuste suhtes ning kohaneb kompaktsete soontega; RCS131 on O-rõnga asendaja, mis on nii ekstrusioonile kui ka keemilisele vastupidavusele vastupidav ning millest on saanud toidu- ja farmaatsiatööstuse eelistatud valik. Ja RCS116/216 saavad vanad silindrid kiirelt parandada, et seisakuid vähendada.
RCS -seeria aitab klientidel hakkama saada kõrgsurve, suure kiirusega, söövitava meedia ja spetsiaalse tööstuse väljakutsetega ning parandada seadmete töökindlust ja eluiga.
Tooteomadused ja rakendused:
Kolvi varda tihendi pööramine tihendid sobivad hüdrauliliste silindrite ja silindrite, insenersõidukite, põllumajandusmasinate, kraanade ja merehüdraulikaadmete, tööpinkide jaoks.
Kasutatakse raskete tööstusmasinate, presside, keemiatööstuse, kiirete õlisilindrite ja positsioneerimismasinate toidutööstuses, farmaatsiatööstuses.
Eelised
Kolvi varda tihendi pöörde tihendid on põimitud soonesse stabiilselt, laia temperatuurivahemiku, suurepärase staatilise ja dünaamilise tihendamise jõudluse ning tugeva jääkõli taastumisvõimega dünaamilistes tingimustes. Madal hõõrdumine, roomamine, kõrge kulumiskindlus, madala staatilise ja hõõrdeväärtuste, ainult hea ekspresseerumisvastane jõudlus, hea soojusjuhtivus ja lai temperatuurivahemik.
Sobib vanade kolvivardade jaoks, avatud tüüpi hõlpsasti libisemise paigaldamiseks.

RCS101
Tellimissuurus
Φd ...... välimine läbimõõt
Φd ...... sisemine läbimõõt
L ...... soone laius
| Pinnaviimistlus | R tmax (μm) | RA (μM) |
| Libisev pinnale sobivad kummi-/polüuretaani tihendid Libisevad pinnale sobivad PTFE -tihendid | ≤2,5 ≤2 | ≤0,1-0,5 ≤0,05-0,3 |
| Soone põhi Soone pool | ≤6,3 ≤15 | ≤1,6 ≤3 |
| TP profiili tugi pikkuse suhe | 50%-95% |
|
| Tolerants | |
| ΦD | F8 |
| ΦD | H10 |
Tellimisnäide
Mudel: RCS101
Soone suurus: 100x115x10
Materjal: RC-PU-H

Tihenditüüp: RCS101, RCS102, RCS103, RCS104, RCS205, RCS106, RCS107, RCS108, RCS117, RCS121
Peamine rakendus: sobib hüdrauliliste ja pneumaatiliste silindrite jaoks
Eelised: stabiilne manustamine soones, lai temperatuurivahemik, suurepärane staatiline ja dünaamiline tihendus jõudlus, tugev jääkõli ekstraheerimise võime dünaamilistes tingimustes.
Materjal: polüuretaan, kumm
| SEAL Groove näited | Järgnevalt on toodud standardsed soonemõõtmed (tolmu tihendid, mis asuvad suuruses vahemikus) | ||||||||
![]() |
![]() |
ΦD | ΦD | L | c/s | Maksimaalne väljapressimine | |||
| 100bar | 250bar | 400bar | |||||||
| 5-24,9 | Φd+8 | 6.3 | 4 | 0.50 | 0.35 | 0.25 | |||
| 25-49,9 | Φd+10 | 8 | 5 | 0.50 | 0.35 | 0.25 | |||
| 50-149,9 | Φd+15 | 10 | 7.5 | 0.50 | 0.35 | 0.25 | |||
| 150-229,9 | Φd+20 | 14 | 10 | 0.50 | 0.35 | 0.25 | |||
| 300-499.9 | Φd+25 | 17 | 12.5 | 0.50 | 0.35 | 0.25 | |||
| 500-699,9 | Φd+30 | 25 | 15 | 0.50 | 0.35 | 0.25 | |||
| > 700 | Φd+40 | 32 | 20 | 0.60 | 0.40 | 0.30 | |||
| > 1000 | Φd+50 | 40 | 25 | 0.70 | 0.50 | 0.40 | |||

RCS109
Tellimissuurus
Φd ...... välimine läbimõõt
Φd ...... sisemine läbimõõt
L ...... soone laius
|
Pinnaviimistlus |
R tmax (μm) |
RA (μM) |
|
Libisev pinnale sobivad kummi-/polüuretaani tihendid Libisevad pinnale sobivad PTFE -tihendid |
≤2,5
≤2 |
≤0,1-0,5
≤0,05-0,3 |
|
Soone põhi Soone pool |
≤6,3 ≤15 |
≤1,6 ≤3 |
|
TP profiili tugi pikkuse suhe |
50%-95% |
|
|
Tolerants |
|
|
ΦD |
F8 |
|
ΦD |
H10 |
Tellimisnäide
Mudel: RCS109
Soone suurus: 100x115.1x6.3
Materjal: PTFE3+NBR

Tihenditüüp: RCS109
Peamine rakendus: insenersõidukid, põllumajandusmasinad, kraanad, merehüdraulilised seadmed, tööpindid.
Eelised: madal hõõrdumine, roomamine, kõrge kulumiskindlus, ainult hea ekspresseerumisvastane jõudlus, hea soojusjuhtivus, stabiilne manustamissoon, lai temperatuurivahemik.
Materjal: tetrafluoroetüleen, nitriil kumm või fluori kumm
|
SEAL Groove näited |
Järgnevalt on toodud standardsed soonemõõtmed (tolmu tihendid, mis asuvad suuruses vahemikus) |
||||||||
|
|
|
ΦD |
ΦD |
L |
c/s |
Maksimaalne väljapressimine |
|||
|
100bar |
200bar |
400bar |
|||||||
|
5-7,9 |
Φd+4,9 |
2.2 |
2.45 |
0.30 |
0.20 |
0.15 |
|||
|
8-18.9 |
Φd+7.3 |
3.2 |
3.64 |
0.40 |
0.25 |
0.15 |
|||
|
19-37,9 |
Φd+10,7 |
4.2 |
5.35 |
0.40 |
0.25 |
0.20 |
|||
|
38-199.9 |
Φd+15.1 |
6.3 |
7.55 |
0.50 |
0.30 |
0.20 |
|||
|
200-255,9 |
Φd+20,5 |
8.1 |
10.25 |
0.60 |
0.35 |
0.25 |
|||
|
256-649.9 |
Φd+24 |
8.1 |
12 |
0.60 |
0.35 |
0.25 |
|||
|
650-1000 |
Φd+27,3 |
9.5 |
13.65 |
0.70 |
0.50 |
0.30 |
|||
|
> 1000 |
Φd+38 |
13.8 |
19 |
1.00 |
0.70 |
0.50 |
|||

RCS110-112
Tellimissuurus
Φd ...... välimine läbimõõt
Φd ...... sisemine läbimõõt
L ...... soone laius
|
Pinnaviimistlus |
R tmax (μm) |
RA (μM) |
|
Libisev pinnale sobivad kummi-/polüuretaani tihendid Libisevad pinnale sobivad PTFE -tihendid |
≤2,5
≤2 |
≤0,1-0,5
≤0,05-0,3 |
|
Soone põhi Soone pool |
≤6,3 ≤15 |
≤1,6 ≤3 |
|
TP profiili tugi pikkuse suhe |
50%-95% |
|
|
Tolerants |
|
|
ΦD |
F8 |
|
ΦD |
H10 |
Tellimisnäide
Mudel: RCS110-112
Soone suurus: 100x120x32
Materjal: RC-PU-H+POM

Tihenditüüp: RCS110-112, RCS126-128
Peamine rakendus: raskete tööstusmasinate jaoks presside jaoks
Eelised: sobib vanade kolvivardade jaoks, avatud tüüpi hõlpsasti installimine
Materjal: polüuretaan, polüoksümetüleeni, nailon
|
SEAL Groove näited |
Järgnevalt on toodud standardsed soonemõõtmed (tolmu tihendid, mis asuvad suuruses vahemikus) |
|||||
|
|
|
ΦD |
ΦD |
L |
c/s |
|
|
10-39,9 |
Φd+10 |
16 |
5 |
|||
|
40-74,9 |
Φd+15 |
25 |
7.5 |
|||
|
75-149.9 |
Φd+20 |
32 |
10 |
|||
|
150-199.9 |
Φd+25 |
40 |
12.5 |
|||
|
200-299,9 |
Φd+30 |
50 |
15 |
|||
|
300-599.9 |
Φd+40 |
63 |
20 |
|||
|
> 600 |
Φd+40 |
80 |
20 |
|||
|
> 1000 |
Φd+50 |
100 |
25 |
|||

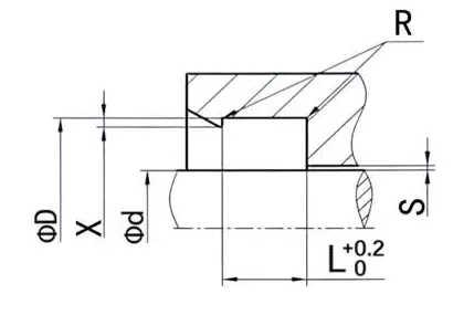
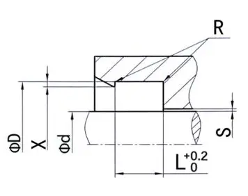
RCS119
Tellimissuurus
Φd ...... välimine läbimõõt
Φd ...... sisemine läbimõõt
L ...... soone laius
|
Pinnaviimistlus |
R tmax (μm) |
RA (μM) |
|
Libisev pinnale sobivad kummi-/polüuretaani tihendid Libisevad pinnale sobivad PTFE -tihendid |
≤2,5
≤2 |
≤0,1-0,5
≤0,05-0,3 |
|
Soone põhi Soone pool |
≤6,3 ≤15 |
≤1,6 ≤3 |
|
TP profiili tugi pikkuse suhe |
50%-95% |
|
|
Tolerants |
|
|
ΦD |
F8 |
|
ΦD |
H10 |
Tellimisnäide
Mudel: RCS119
Soone suurus: 100x109.4x7,1
Materjal: PTFE2+NBR

Tihenditüüp: RCS119
Peamine rakendus: keemiatööstus, kiired silindrid ja positsioneerimismasinad. Toiduainetööstus, farmaatsiatööstus.
Eelised: kõrge temperatuuri ja mitmesuguste keemiliste söötmete suhtes vastupidav, madala hõõrdetegur, hiilivaid, head kuiva hõõrdeomadused, madal staatilised ja hõõrdeväärtused.
Materjal: ptfe+lehevedru
|
SEAL Groove näited |
Järgnevalt on toodud standardsed soonemõõtmed (tolmu tihendid, mis asuvad suuruses vahemikus) |
|||||||||
|
|
|
ΦD |
ΦD |
L |
R |
X |
Maksimaalne väljapressimine |
|||
|
100bar |
200bar |
400bar |
||||||||
|
10-19,9 |
D+4,5 |
3.6 |
0.4 |
0.6 |
0.15 |
0.10 |
0.07 |
|||
|
20-39,9 |
D+6.2 |
4.8 |
0.6 |
0.7 |
0.20 |
0.15 |
0.08 |
|||
|
40-119,9 |
D+9.4 |
7.1 |
0.8 |
0.8 |
0.25 |
0.20 |
0.10 |
|||
|
120-1000 |
D+12.2 |
9.5 |
0.8 |
0.9 |
0.30 |
0.25 |
0.12 |
|||
|
> 1000 |
d+19,0 |
15 |
0.8 |
0.9 |
0.50 |
0.40 |
0.20 |
|||



















































































Aadress
Nr.1 Ruichen Road, Dongliutingi tööstuspark, Chengyangi piirkond, Qingdao linn, Shandongi provints, Hiina
Tel
E-post