Ruichen on pitseerimistehnoloogia innovatsiooni esirinnas. Sõltumatult välja töötatud kõrgsurvetihendid kinnitavad täpselt liikuvate osade tolmukindlaid nõudmisi ning suurepärase kaitse loomiseks kasutavad PTFE tolmurõngaid ja O-rõngaid. Töötades rakendab O-rõngas stabiilset eelkoort, et kompenseerida PTFE rõnga kulumist kogu aeg, tagades pitseri pikaajalise stabiilsuse; Tolmurõngas kasutab kulumisvastaseid täitematerjale, et tolmu sissetungi tugevaks vastupanuks. Näiteks ehitusmasinate hüdrauliliste silindrite vuugides blokeerivad kõrgsurvega tolmutihendid tolmu tolmuga tolmu sissetungi ja tagavad silindri sujuva töö; Automatiseeritud tootmisliini robotvarre, selle tolmutihendid, täppisosad tolmu häirete eest ja säilitavad ülitäpse toimingu; ja kaevandusseadmete spiraalne edastusseade, maagi tolmu keskkonnas, kõrgsurvega tolmutihendid tagavad seadmete stabiilse töö, vähendavad potentsiaalseid rikkeid ja pikendavad seadmete eluiga. Ruicheni pitseerimine on keskendunud pikka aega põhjalikule arengule. Tuginedes professionaalsele meeskonnale ja tipptasemel rajatistele, saab see mitte ainult kohandada suure jõudlusega tihendusmaterjale vastavalt klientide vajadustele ja kontrollida iseseisvalt tootmise kvaliteeti, vaid ka reserveerida rikkalikke ja mitmekesiseid materjale, näiteks polüoksümetüleen, aidates klientidel ühel peatuses erinevaid pitseerimisprobleeme ületada ja teha koostööd uute kõrgusteni tööstuses.
Prügikindla tihendamise töötingimused
| Profiil | Mudel | Temperatuur (℃) | Kiirus (m/s) | Meedium |
![]() |
RCF01 | -35 ~+100 (sobiv O-rõngas NBR) | 6 | Hüdrauliline õli, emulsioon, vesi jne. |
| -20 ~+200 (sobiv O-rõngas FKM) | ||||
![]() |
RCF02 | -35 ~+100 (sobiv O-rõngas NBR) | 6 | Hüdrauliline õli, emulsioon, vesi jne. |
| -20 ~+200 (sobiv O-rõngas FKM) | ||||
![]() |
RCF03 | -35 ~+100 (sobiv O-rõngas NBR) | 6 | Hüdrauliline õli, emulsioon, vesi jne. |
| -20 ~+200 (sobiv O-rõngas FKM) | ||||
![]() |
RCF04 | -35 ~+100 (sobiv O-rõngas NBR) | 6 | Hüdrauliline õli, emulsioon, vesi jne. |
| -20 ~+200 (sobiv O-rõngas FKM) | ||||
![]() |
RCF05 | -35 ~+100 (sobiv O-rõngas NBR) | 6 | Hüdrauliline õli, emulsioon, vesi jne. |
| -20 ~+200 (sobiv O-rõngas FKM) |
Tellimise näide:
Tellimismudel RCF01-80-PTFE3-R01
RCF01-mudel 80 -võlli läbimõõt PTFE3-universaalne modifitseeritud PTFE R01-sobitatav kummimaterjali kood
Nitriilkumm (NBR) -R01 fluorobber (FKM) -R02
Tellimismudel RCF02-80-PTFE3-R01
RCF02-mudel 80-võlli läbimõõt PTFE3-kindral modifitseeritud PTFER01-sobitatav kummimaterjali kood
NBR (NBR) -R01 fluorobber (FKM) -R02
Tellimismudel RCFO3-80-PTFE3 -R01
RCF03-mudel 80 -võlli läbimõõt PTFE3-kindral Modified PTFE R01-sobitatav kummimaterjali kood
Nitriilkumm (NBR) -R01 fluorobber (FKM) -R02
Tellimismudel RCF04-80-PTFE3-R01
RCF04-mudel 80 -võlli läbimõõt PTFE3-kindral modifitseeritud PTFE R01-sobitatav kummimaterjali kood
Nitriilkumm (NBR) -R01 fluorobber (FKM) -R02
Tellimismudel RCF04-80-PTFE3-R01
RCF04-mudel 80 -võlli läbimõõt PTFE3-kindral modifitseeritud PTFE R01-sobitatav kummimaterjali kood
Nitriilkumm (NBR) -R01 fluorobber (FKM) -R02
Tellimismudel RCF05-80-PTFE3-R01
RCF05-mudel 80 -võlli läbimõõt PTFE3-kindral modifitseeritud PTFE R01-sobitatav kummimaterjali kood
Nitriilkumm (NBR) -R01 fluorobber (FKM) -R02
Spetsifikatsioonid:
| RCF01 spetsifikatsioonid (parameetrivahemikus saab mis tahes suurusega tooteid) | ||||||
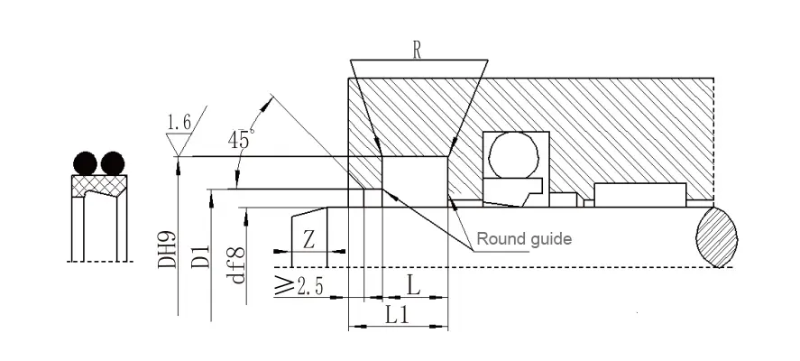
| Võlli läbimõõt vahemik D F8 |
Soone läbimõõt D H9 |
Soone laius L+0,2 |
Ava augu läbimõõt D1 H11 |
Avatud augu laius ≥ |
Ümardatud nurgad R≤ |
O-rõnga traadi läbimõõt d0 |
| 19 ~ 39 | D+7.6 | 4.2 | d+1,5 | 3 | 0.8 | 2.65 |
| 40 ~ 69 | D+8,8 | 6.3 | d+1,5 | 3 | 0.8 | 2.65 |
| 70 ~ 139 | D+12.2 | 8.1 | d+2.0 | 4 | 0.8 | 3.55 |
| 140 ~ 399 | d+16,0 | 9.5 | d+2,5 | 5 | 1.5 | 5.30 |
| 400 ~ 649 | D+24.0 | 14 | d+2,5 | 8 | 1.5 | 7.00 |
| 650 ~ 1500 | D+27.3 | 16 | d+2,5 | 10 | 2.0 | 8.60 |
| RCF02, RCF03 spetsifikatsiooniparameetri tabel (parameetrite vahemikus oleva suurusega produktid) | ||||||
| Võlli läbimõõt vahemik D F8 |
Soone läbimõõt D H9 |
Soone laius L+0,2 |
Ava augu läbimõõt D1 H11 |
Avatud augu laius ≥ |
Ümardatud nurgad R≤ |
O-rõnga traadi läbimõõt d0 |
| 4 ~ 11 | D+4,8 | 3.7 | d+1,5 | 2 | 0.4 | 1.8 |
| 12 ~ 64 | D+6,8 | 5 | d+1,5 | 2 | 0.7 | 2.65 |
| 65 ~ 250 | D+8,8 | 6 | d+1,5 | 3 | 1.0 | 3.55 |
| 251 ~ 420 | D+12.2 | 8.4 | d+2.0 | 4 | 1.5 | 5.30 |
| 421 ~ 650 | d+16,0 | 11 | d+2.0 | 4 | 1.5 | 7.00 |
| 651 ~ 1500 | d+20,0 | 14 | d+2,5 | 5 | 2.0 | 8.60 |
| RCF04 spetsifikatsiooniparameetri tabel (parameetrite vahemikus sisalduv suurus on esitatud) | ||||||
| Võlli läbimõõt vahemik D F8 |
Soone läbimõõt DH9 |
Astme läbimõõt D1 H11 |
Soone laius L+0,2 |
Üldine laius L1 |
Ümmargused nurgad Rmax | Faaktori pikkus Zmin |
| 20 ~ 39,9 | D+7.6 | d+1 | 4.2 | 8.2 | 0.4 | 3 |
| 40 ~ 69,9 | D+8,8 | d+1,5 | 6.3 | 10.3 | 1.2 | 4 |
| 70 ~ 139,9 | D+12.2 | d+2.0 | 8.1 | 12.1 | 2 | 6 |
| 140 ~ 399,9 | d+16,0 | d+2.0 | 11.5 | 15.5 | 2 | 8 |
| 400 ~ 649,9 | D+24.0 | d+2,5 | 15.5 | 19.5 | 2 | 10 |
| 650 ~ 1000 | D+27.3 | d+2,5 | 18.0 | 23.0 | 2 | 12 |
| RCF05 spetsifikatsiooniparameetri tabel (parameetrivahemikus on mis tahes suurusega tooted) | ||||||
| Võlli läbimõõt vahemik D F8 | Soone läbimõõt DH9 | Astme läbimõõt D1 H11 | Soone laius L+0,2 |
Külje laius L1 |
Ümmargused nurgad Rmax |
Faaktori pikkus Zmin |
| 100 ~ 229 | D+22.2 | D+10,7 | 6.3 | 4.2 | 1.2 | 6 |
| 230 ~ 299 | D+24.2 | D+10,7 | 6.3 | 4.2 | 1.2 | 8 |
| 300 ~ 629 | d+33,0 | D+15.1 | 8.1 | 6.3 | 1.2 | 10 |
| 630 ~ 1000 | D+36,5 | D+15.1 | 9.5 | 6.3 | 2 | 12 |
Rakendus:
Kasutatakse peamiselt põllumajandusmasinate, hüdrauliliste presside, sissepritsevormimismasinate, hüdrauliliste juhtimissüsteemide, kahvlite, rullpresside, kraanade, laadimis- ja laadimismasinate jms.











Aadress
Nr.1 Ruichen Road, Dongliutingi tööstuspark, Chengyangi piirkond, Qingdao linn, Shandongi provints, Hiina
Tel
E-post